Digital Funny Oscilloscope G22

Analog
PCB
Winter 2026
oscilloscope

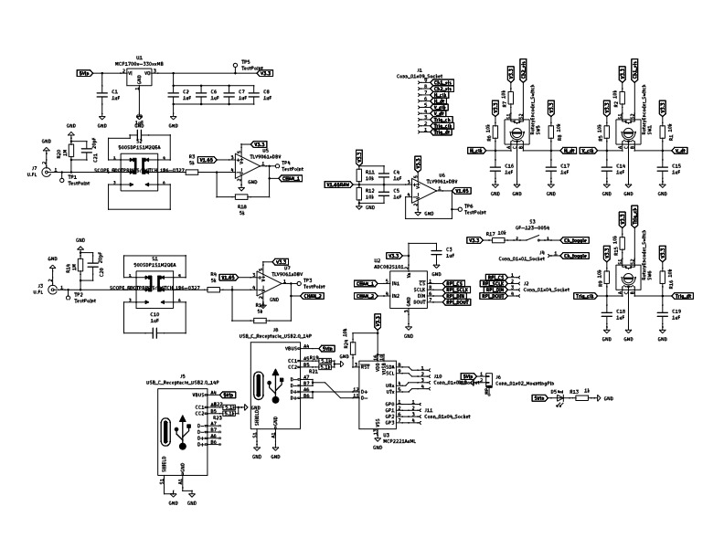
This project is a digital oscilloscope intended for hobbyists and students. It is built to operate in high fidelity for voltages and frequencies typically found in audio devices, consumer electronics, and in undergraduate ECE courses. Our Digital Funny Oscilloscope (DSO) can measure and display waves with 12Vpp and up to 500kHz. It is based on a Raspberry Pi 3B+ with a 7" display, one custom pcb which includes the entire analog front end. We used a bare bones analog front end with a TI ADC082S101 sending its 8bit output to the Rpi which displays the waveform on our built in display written using RUST (Macroquad). The existance of our final project is due to our inovative solutions to the problems that we ran into. We adapted our power supply by adding another power supply port and made changes to our PCB board in the lab for the final build.

0 Lifts 

Artifacts

Name Description
Top Level Architecture This is the top level block diagram for our O-scope   Download
Executive Project Summary Summary of our project.   Download
Project Showcase Video Video detailing our project design, functions, achievements, and difficulties.   Link
Feedback