Senior Design: Home Irrigation

A smart home device that allows users to have better control over sprinkler systems in there home. As this is a home system design the expectations of the design is to easily be created with a DIY expectation as such the technology used was designed to be easily accessible. The enclosure was 3D printed, the circuit was designed to be simple, and the code was integrated to be user friendly with a raspberry pi to control the logic. Additionally, working with a second team the system is manipulable with a web service that allows for the user to modify the function with from any location. This project run into troubles when one project member left the group and another had to leave the country putting strain on the project and it's goals. That being said the basic functionality of the project was accomplished with adjustments to the scope. Initially the project wanted to include a soil sensing unit that would give feedback on the soil quality to the user, this was removed from the project but could be included for future iterations of this project.

0 Lifts 

Artifacts

Name Description
Enclosure Design The enclosure for the irrigation controller. The enclosure has two sections a lid and a base. The base holds the control to the wall which can be placed with wood screws and the the lid keeps the enclosure together.   Download
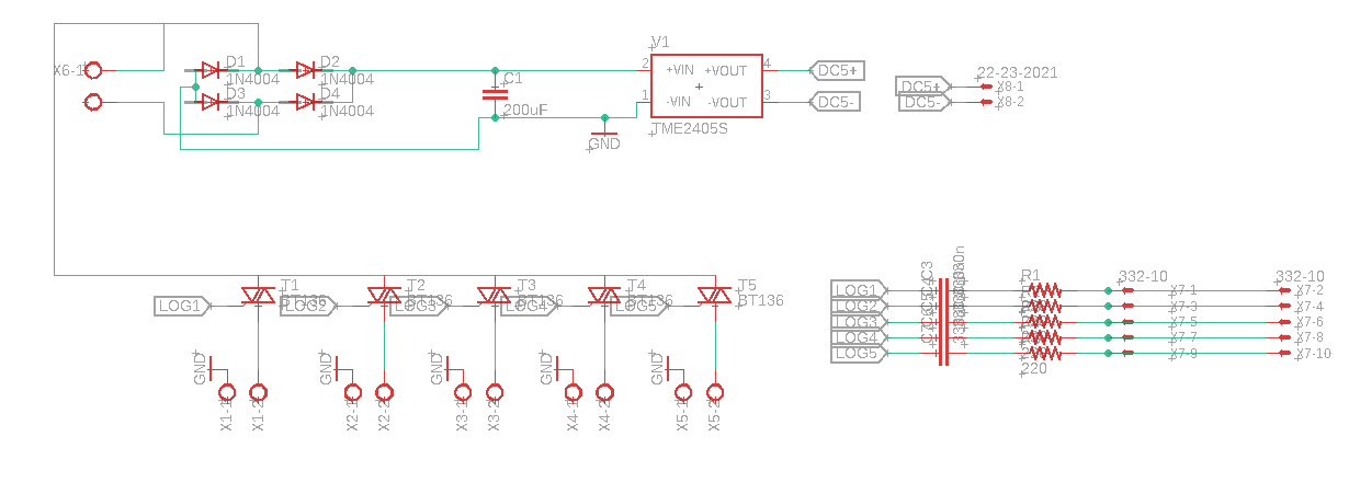
Schematic Taking in a 24VAC line the PCB would give the Raspberry pi the power it needed to operate and the power that the solenoids needed.   Download
PCB Layout One of the more difficult sections of the PCB was making the inputs and outputs line up accurately with the enclosure design. Using modeling in Fusion 360 we where able to confirm that the project would fit together in the end.   Download
Irrigation code By reading the water pump output, rainfall and the amount of water needed by plants in the document, and by turning on and off the GPIO of the Raspberry Pi, you can control the opening time of the pump.   Download
Project Summary Video A video explaining many of the elements of our project.   Link
Project Closeout Includes: Design Impact Statement, Project Timeline, Scope and Engineering Requirements, Risk Register, and Future Recommendations.   Download
Executive Summary A document detailing the design philosophy initially and the lessons learned from the project after it's completion.   Download
Feedback