Teensyish-scope (Team 18)

C++
3D Printing
Analog
Junior Design
Winter 2026

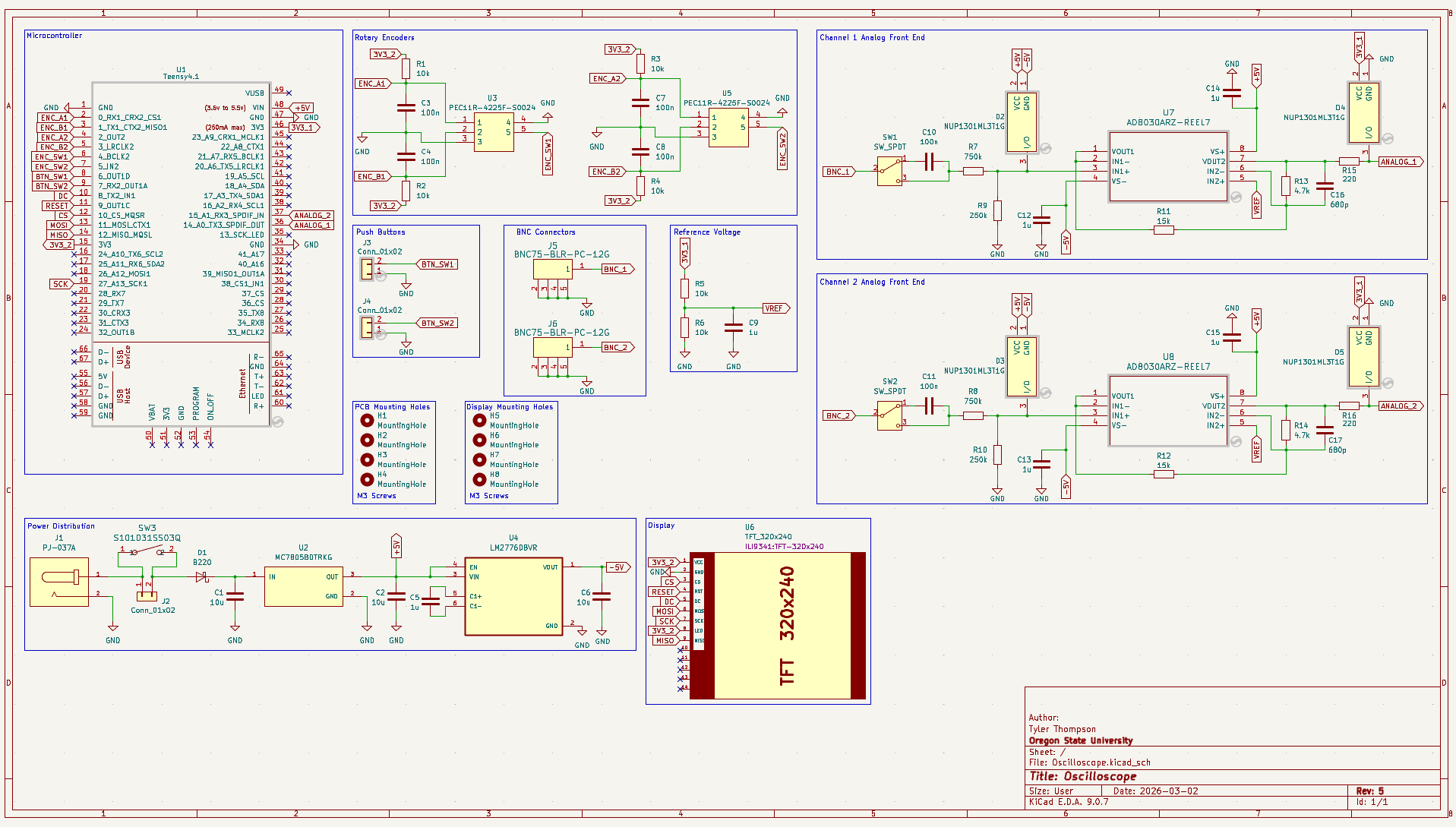
A portable O-scope system is designed to capture, process, and display electrical signals from external probes in real time. The system allows users to see waveform behavior and measure signal characteristics. O-scope supports two 9Vpp 200kHz channels operating simultaneously and provides an interactive user interface allowing adjustment of measurement parameters.

2 Lifts 

Artifacts

Name Description
Executive Summary Document Executive summary document   Download
Executive Summary Presentation Executive summary presentation   Link
Feedback