PC Controlled DC Power Supply 004-2 – Jaffarian, Kochi, Roberts – ECE 342-W23

Tasked with creating a DC power supply that could be programmable by a PC. The original requirements included that the power supply needed to: – Have two output channels – Supply up to 1A of current through each of its channels – Not allow any object greater than 1mm in diameter to enter the enclosure, and only use standard US plugins for connecting to external devices – Display the voltage and current to the user within 5% or .1V of the actual output voltage – Be programmable over a serial interface using SCPI commands. Additional requirements were added consisting of: – The input power would be rated between 5V, 1.1A DC up to 12V, 2A DC – The system would provide user feedback in the form of an LED alerting the user of the system status. The design process began with a system level block diagram. Each block was then further defined including its interfaces. The build and test phase was iterative trying various solutions, testing, assessing faults, and redesigning. The largest challenges consisted of digital regulation of DC voltage and learning new CAD tools to create a professional product. The finished system was able to use a standard and common 12V, 2A barrel jack DC wall adapter.

0 Lifts 

Artifacts

Name Description
Enclosure CAD Drawings Fusion360 renderings of the enclosure to be printed   Download
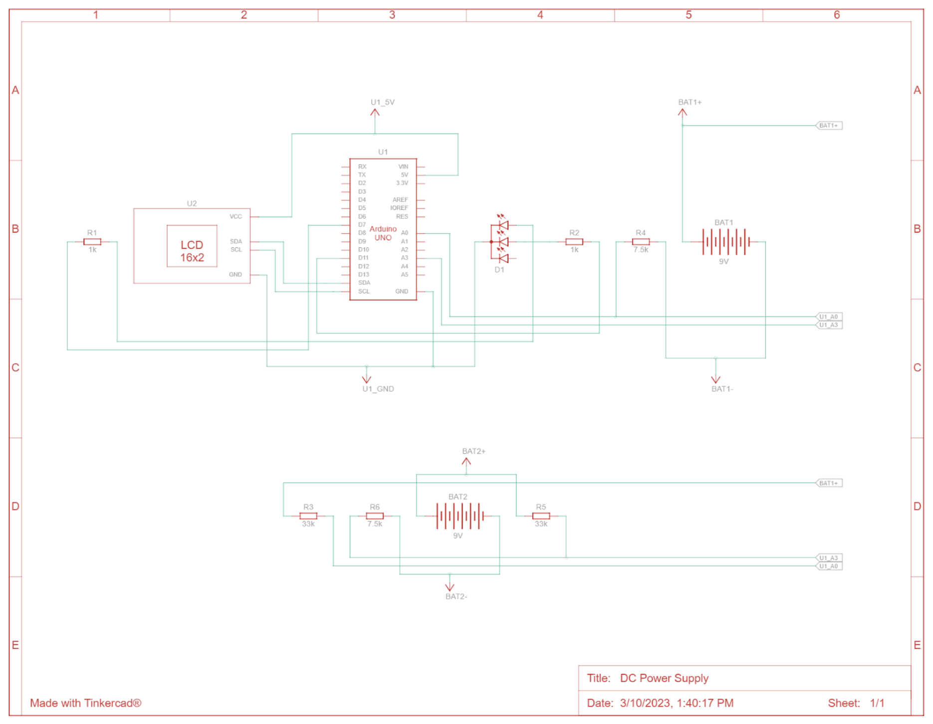
Arduino Schematic Schematic of how the Arduino is wired into the system.   Download
System Level Wiring Diagram Schematic of how the system is connected internally.   Download
Executive Summary Summary of project requirements, design process, project timeline, and key lessons.   Download
Project Summary See attached link for project video.   Link
Voltage Regulator Schematic KiCAD Schematic of the voltage regulator module.   Download
Voltage regulator PCB KiCAD PCB drawing of the voltage regulator module.   Download
Feedback